In software development, a user story is a tool used to capture a description of a software feature from an end-user’s perspective. The purpose of a user story is to articulate how a particular piece of functionality will provide value to the user. It helps teams understand the needs and expectations of the users and ensures that the development efforts are aligned with delivering features that solve real problems or enhance the user experience.
A user story typically follows a simple template:
- As a [type of user], I want [an action] so that [a benefit/a value].
I have highlighted my experience with user stories and Engineering design. Each industry has standardized depection of pictures, headers and/or equipment for Engineering.
Below are examples of user stories used in developing my wireframe and a high fidelity design for Product Designers to work on.
User Story and Wireframes
- User story for the wireframe below: As an individual with limited financial knowledge, I want to enrol in a course to better understand debt and money management, so I can feel more confident and in control of my finances.

- User story for the high fidelity design below: As a tech-savvy user, I want to complete the payment for nanny services through the app so that the transaction is hassle-free and secure.

ENGINEERING DESIGN
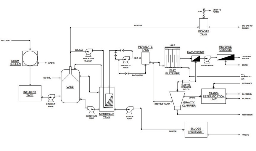
My experience with Engineering design is demonstrated below. The reason for this is to demonstrate parallels and similarities between both industry. The first diagram shows the design (Process Flow Diagram PFD) of a wastewater treatment plant/process for water re-use. Each component has a standard industrial representation such as pump, tanks and membranes.

Below shows the simulation and design of an Ethylene plant
